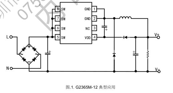
G2365M-12非隔離12V450mA貼片SOP8卷發棒電源芯片
12V 450MA SOP8
12V 450MA SOP8
高性能低成本非隔離交直流轉換芯片
G2365X-12 是一款高集成度、高性能、低待機功耗的開關電源芯片,適用于非隔離開關電源應用。
G2365X-12 內部集成了高壓啟動電路、電流采樣電路、電壓反饋回路。外部無需啟動電阻、電流采樣電阻和電壓采樣電阻,極大地減少了外圍器件數量,節省了系統成本和體積,同時采用先進的技術無需其他補償器件即可實現優異的輸出電壓精度和負載調整率。
G2365X-12 提供了豐富的保護功能,包括:VDD欠壓和鉗位保護、輸出過壓保護、過流保護、過溫保護、輸出短路保護等
G2365M-12特點
◆ 內置高壓功率管
◆ 內置高壓啟動電路、電流、電壓采樣電路
◆ 固定 12V 輸出應用
◆ 優異的動態響應
◆ 內置軟啟動電路
◆ 集成完善的保護功能:
VDD 欠壓和鉗位保護、輸出過壓保護、過流保護、過溫保護、輸出短路保護等。
G2365M-12應用
AC-DC 非隔離開關電源
◆ 小家電輔助電源
◆ 電機驅動輔助電源
◆ 智能照明輔助電源
封裝模式 SOP8 和 DIP7

